中文
英文
首页
产品中心
YB-MGM型模块式
YB-MGM/F方形密封装置
YB-MGM/Y圆形密封装置
YB-MGM/JK集成密封装置
YB-MGM型模块式产品部件
安装工具
YB-TGM型套管式
YB-TGM型套管式密封装置
YB-TGM型套管式产品部件
安装工具
YB-JGM型浇注式
YB-JGM型浇注式密封装置
YB-JGM型浇注式产品部件
QLM产品型式
船舶电气快速设计系统
检测认证
船级性认证
检测报告
体系证书
技术支持
安装施工培训
非标定制化服务
行业应用
新闻中心
公司新闻
行业新闻
关于我们
公司介绍
公司理念
公司文化
发展历程
公司荣誉
联系我们
产品中心
一直专注于电缆/管道贯穿密封装置、甲板敷料和防火材料的研发
您的位置:
首页
>
产品中心
>
YB-MGM型模块式
>
YB-MGM型模块式产品部件
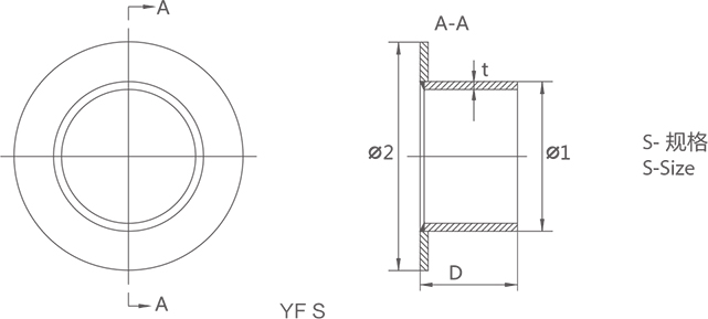
YF型圆形法兰框架
YF型圆形法兰框架适用于螺栓或焊接的安装方式,法兰边宽可以根据实际需要设计制造。材料可根据客户需要选用低碳钢、不锈钢或铝等。
产品详情
上一个:
EMC型变径模块
下一个:
润滑脂
上海怡博船务有限公司 版权所有 备案号:
沪ICP备13039170号-1